Descripción
Los escalones de entrada manual triples Stromberg Carlson SMFP-3100 ofrecen un acceso confiable y resistente para vehículos recreativos con la comodidad de tres escalones. Fabricados con acero con recubrimiento en polvo y una amplia superficie antideslizante , estos escalones combinan seguridad, durabilidad y fácil instalación , soportando hasta 136 kg (300 lb) . Ideales para propietarios de vehículos recreativos que buscan soluciones de entrada discretas y montadas en el vehículo .
Especificaciones clave
-
Número de pieza: SMFP-3100
-
Tipo de montaje: Montaje en autocar
-
Diseño plegable: manual
-
Número de pasos: 3
-
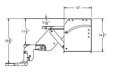
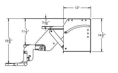
Ancho: 24"
-
Profundidad de la banda de rodadura: 8"
-
Elevación del escalón: 8"
-
Altura total: 19-5/8"
-
Altura colapsada: 14-1/2"
-
Capacidad de peso: 300 libras
-
Material: acero
-
Diseño de la superficie: amplia tira de agarre antideslizante
-
Color: Negro
-
Plataforma incluida: Sí
-
Contacto con el suelo: No
-
Iluminado: No
-
Bloqueable: No
Características y beneficios
-
Reemplaza la mayoría de los escalones para vehículos recreativos del mercado con un ajuste universal.
-
Acero duradero con recubrimiento en polvo para un uso duradero.
-
La superficie de escalón ancha y antideslizante garantiza una pisada segura.
-
Soporta hasta 300 libras para un acceso seguro
-
Diseño de perfil bajo para una apariencia discreta
-
Fabricado en EE. UU. con estrictos estándares de calidad.
-
Respaldado por una garantía limitada del fabricante de 1 año
Pagos seguros y protegidos
Métodos de pago
Su información de pago se procesa de forma segura. No almacenamos los detalles de la tarjeta de crédito ni tenemos acceso a la información de su tarjeta de crédito.
Seguridad

Gastos estimados de envío
También te puede interesar
Visto recientemente
Inventario de piezas para vehículos recreativos nuevo y actualizado: consulte con frecuencia
Siempre estamos agregando piezas de RV nuevas y usadas a nuestro inventario, así que asegúrese de volver a consultarlo periódicamente.
Si no ve la pieza que necesita hoy, es posible que aún la tengamos en stock: nuestra base de datos interna incluye miles de piezas de vehículos recreativos nuevas que aún no están publicadas en línea.
Envíenos un mensaje de texto o correo electrónico con el número de producto o modelo y verificaremos la disponibilidad de inmediato.
Nuestras colecciones



